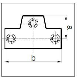
Raccord Tubulaire « T » long incliné (0° – 11°) ∅ 42,2mm (1,660″)

Les raccords tubulaires fournis par Mustang Systems sont en fonte malléable (ASTM A 197). Le traitement de double galvanisation améliore la protection et la durabilité des pièces contre la corrosion. Ces raccords tubulaires sont assemblés avec une simple clé Allen.

– « T » Long incliné (0° – 11°) (Double traitement galvanisé)
– Compatible; 3 tubes

Diamètre tube extérieur ∅ 42,2mm (1,660″) / Dimensions du raccord (a) 60mm (2,362″)

NOTE:  Les tubes en acier ne sont pas fournis par Mustang Systems

 
SKU : C-155
34,97 $
Vendu à l’unité
Québec - Ontario et Maritimes: Expédition 24-48h
Provinces de l’ouest : 3-4 jours, envoi accéléré par avion disponible.